合金鋼結構/不銹鋼結構(可選);使用懸臂梁CA-MTB稱重傳感器;可應用于惡劣工業環境;適用于罐裝秤、皮帶秤和配料秤等;
Features 主要特點
● Alloy steel construction / stainless steel construction (option)
● CA-MTB(single ended shear beam stainless steel load cell) installed
● Use in tough industrial environment
● Suitable for tank-packing scales, belt scales and batching systems, etc
● 合金鋼結構/不銹鋼結構(可選)
● 使用懸臂梁CA-MTB不銹鋼傳感器
● 可應用于惡劣工業環境
● 適用于罐裝秤、皮帶秤和配料秤等
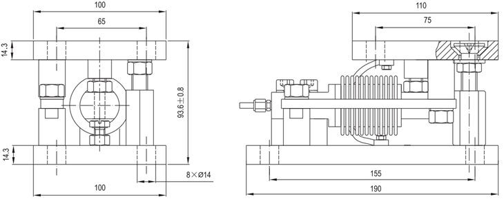
Dimension 尺寸(可替代HBM Z6/M 稱重模塊)


Specification 技術參數
Capacities | 量程 | 10kg 20kg 30kg 50kg 100kg 200kg 300kg 500kg |
Rated Output | 額定輸出 | 2.0mV/V ±0.1% |
Zero Balance | 零點平衡 | ±1% of rated output |
Creep after 30 minutes | 蠕變 | ±0.03% of rated output |
Nonlinearity | 非線性 | ±0.03% of rated output |
Hysteresis | 滯后 | ±0.03% of rated output |
Repeatability | 重復性 | ±0.03% of rated output |
Temp. effect on output | 靈敏度溫漂 | ≤0.002% of applied output/?C |
Temp. effect on zero | 零點溫漂 | ≤0.002% of rated output/?C |
Safe Temp. Range | 可用溫度范圍 | -10?C to + 70?C |
Temp. Compensated | 溫度補償范圍 | -10?C to + 40?C |
Safe Overload | 安全載荷 | 150% |
Input Impedance | 輸入阻抗 | 387 ohm ± 20 ohm |
Output Impedance | 輸出阻抗 | 350 ohm ± 5 ohm |
Insulation Resistance | jue緣阻抗 | ≥5000 M ohm (50V DC) |
Rated Excitation | 推薦激勵電壓 | 10V DC/AC |
Maximum Excitation | zui大激勵電壓 | 15V DC/AC |
Cable Length | 導線長度 | 3m |
Cable Color Code | 導線顏色 | Red(+E) Black(-E) Green(+S) White(-S) |
上海廣志自動化設備是專業生產稱重傳感器的廠家,歡迎廣大客戶前來咨詢,電話021-60518382
上海廣志自動化設備是專業生產稱重傳感器的廠家,歡迎廣大客戶前來咨詢,電話021-60518382
上海廣志自動化設備是專業生產稱重傳感器的廠家,歡迎廣大客戶前來咨詢,電話021-60518382